
CONTROL STRATEGY SIMULATION
Dynamic testing of control logic and strategies in a simulated environment before plant commissioning.
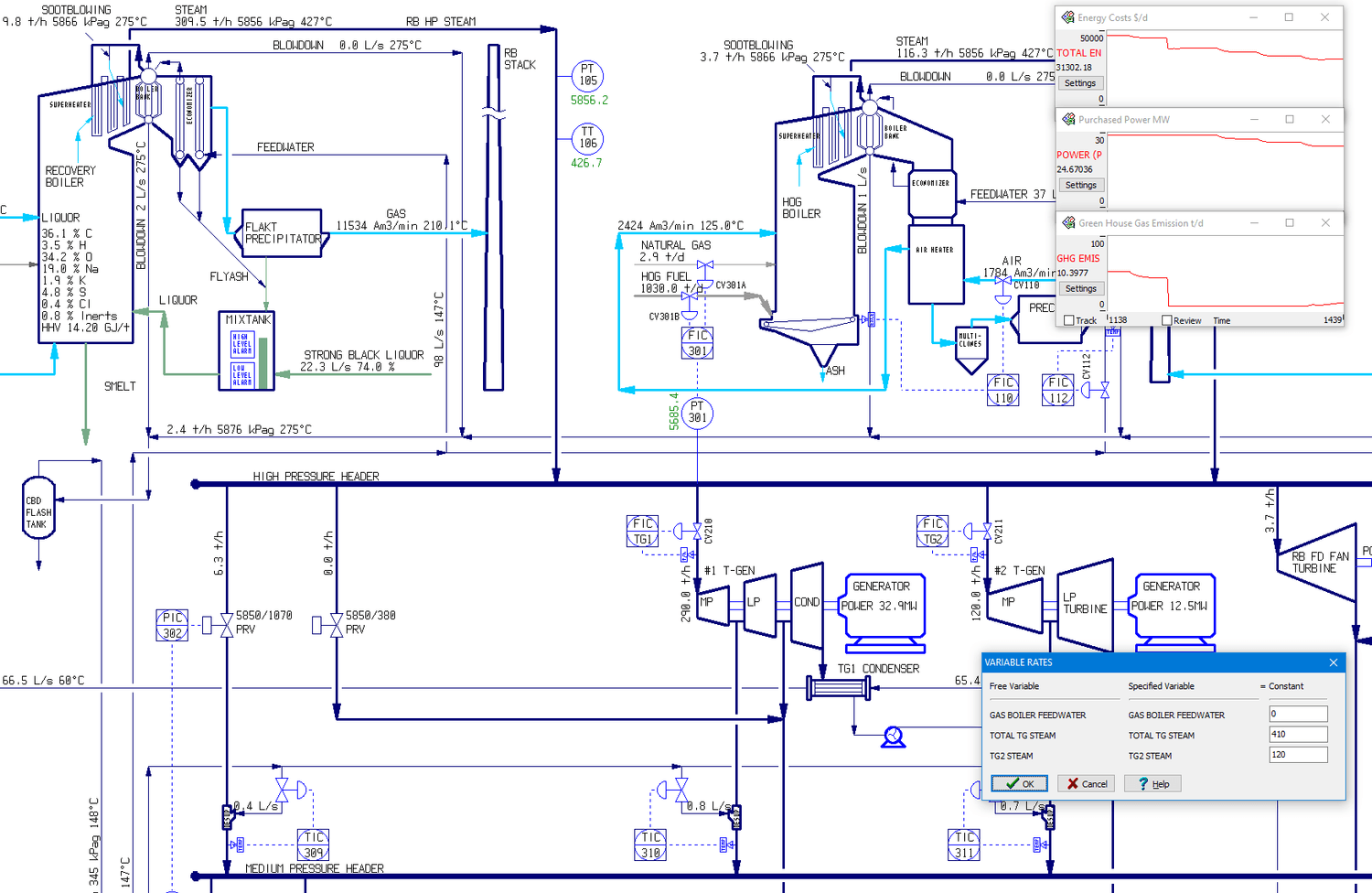
Real-time integration with DCS systems, PLCs, and control software for predeployment validation.
Simulation connectivity with plant historians and control systems for realistic control performance evaluation.
Process Design & Optimization:
Conceptual and detailed process design for mineral processing and metallurgical plants.
Design verification and optimization through simulation-driven analysis.
Process debottlenecking, mass and energy balance validation, and throughput improvement studies.

Process Simulation & Digital Twin Development:
Development of plant-wide dynamic and steady-state process simulation models using CADSIM Plus and JKSimMet.
Creation of digital twins for predictive analysis, process optimization, and control system integration.
Simulation-based design verification, scenario testing, and operational troubleshooting.
Training & Capacity Building:
Off-shelf & customized training programs and coaching for engineers, metallurgists, and control specialists.
Hands-on trainings in Mineral Process Simulation based on JKSimMet/CADSIM Plus/METSIM for mining companies and EPCM teams.
Skill development in simulation-based design, optimization, and digital transformation.


EPCM Technical Support & Design Assistance:
Collaboration with EPCM firms on process design packages, simulations, and technical documentation.
Process modeling and optimization for feasibility, design, and commissioning phases.
Technical partner for simulation-based design validation and control logic testing
