systeme.io
Simulation Services
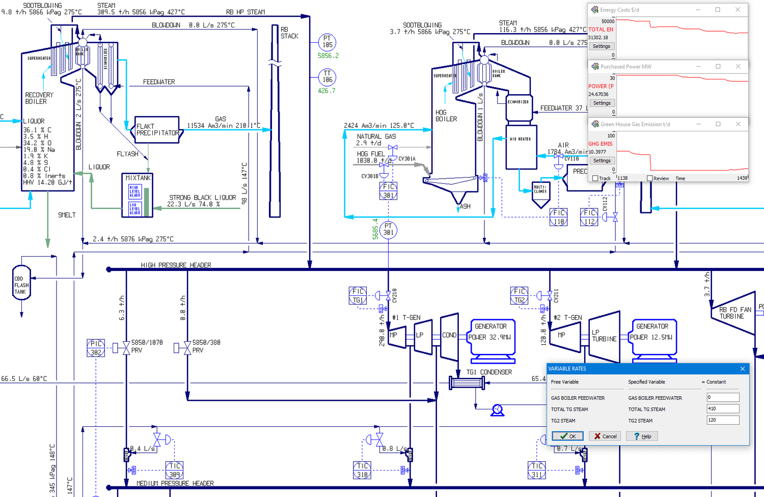
PATFIO Consulting provides advanced mineral processing simulation services that help mining companies design efficient plants, optimize metallurgical performance, and reduce project risk. Using industry-leading software such as METSIM, CADSIM Plus, and JKSimMet, we develop accurate digital models of processing circuits to analyze process behavior, evaluate design alternatives, and improve plant efficiency before implementation.
Training & Coaching Services
PATFIO Consulting offers specialized training in mineral processing and process simulation for metallurgists, engineers, and mining professionals. Our courses focus on practical skills in using industry-leading software such as CADSIM Plus, JKSimMet, and METSIM to design, model, and optimize processing plants. Participants learn how to perform flowsheet development, mass balancing, and circuit optimization using real industry case studies. Training is delivered through online programs, workshops, and customized corporate sessions. Our goal is to equip professionals with the technical expertise needed to improve plant performance and support better engineering decisions in mining operations.
Process Engineering Consultancy
PATFIO Consulting provides expert process engineering consultancy to support mining and mineral processing operations from concept to optimization. We assist clients with process design, flowsheet development, mass and energy balances, equipment sizing, and plant performance analysis. Our team combines practical metallurgical experience with advanced simulation tools to evaluate process alternatives and improve operational efficiency. PATFIO supports feasibility studies, plant expansions, debottlenecking, and troubleshooting across various mineral processing operations. Our goal is to deliver practical, data-driven engineering solutions that enhance recovery, reduce operational risk, and improve overall plant performance.
Turn Your Process Challenges into Optimized Solutions — Partner with PATFIO Consulting.
Ready to Optimize Your Plant? Work with PATFIO’s Process Simulation Experts.


Master Process Simulation. Optimize Real Plants — Train and Innovate with PATFIO
From Simulation Expertise to Real Plant Impact — PATFIO Empowers Metallurgists.
Learn from our experts
We help Empowering Mining Companies with Simulation-Driven Engineering and World-Class Metallurgical Expertise.

Easy to grow and thrive
01 Mineral Process Modeling & Simulation Courses
Registration
Immediate access after e-mail
The first materials are already waiting for you

03 Hydrometallurgical Dynamic Simulation for Battery Grade metals Training Course
Water leaching - leaching of acid digested spodumene concentrate with an exercise based on Ni/Co leaching.
Neutralization (impurity removal) - purification of the leach slurry from (1) with precipitation of Fe and Al. Then an exercise on the purification of leach slurry from Ni/Co leaching.
Solids-Liquid separation - thickening/CCD washing of the neutralized slurry followed by filtration of the overflow. Have an exercise focusing of Ni/Co mixed sulphide slurry thickening and filtration as well.
Concentration/Evaporation - setup a model for the concentration of Li2SO4 to 220g/L followed by two exercises on CoSO4 and NiSO4 concentration.
Crystallization - final module on the crystallization of CoSO4 then an exercise on NiSO4 crystallization.
02 Dynamic Simulation & Process Optimization in CADSIM Plus Training Course
Real cases and practical tasks
Analytics and data-driven decisions
Social media strategy

02 Dynamic Simulation & Process Optimization in CADSIM Plus Training Course
Real cases and practical tasks
Analytics and data-driven decisions
Social media strategy

What our customers say

Mationesa Nemasasi
Process Engineer
KAMOA, DRC
“What makes Patrick stand out is not only his expertise in process simulation software but also his knack for customizing it to fit the specific needs of each situation. Patrick and his team go beyond merely simulating mineral processes—they create value through simulated technology. I fully recommend Patrick for simulation training and consulting services. The skills and insights I gained from his training turned me from a complete beginner into a confident pro in this field.”

Tafadzwa Mashakadze
Process Manager
NARAN MANDAL, INDONESIA
“Patrick Chesa and his team are exceptional MetSim experts, delivering top-notch simulation and modeling results. Their problem-solving skills, clear communication, and collaborative approach make them a valuable asset. I highly recommend Patfio for any MetSim project."

Sherphard Katena
Chief Metallurgist
“Patrick is a seasoned professional engineer in the field of Process Engineering and Simulation & Modelling. His skillset is exceptional, he is an achiever and the man to get things done!!”

Natalie Musvaire
Sustainability Manager, BDO
“Patrick is an experienced professional engineer specializing in Process Engineering as well as Simulation and Modelling. His skill set is outstanding; he is a high achiever and the person who gets things accomplished! I had the privilege of collaborating with Patrick on multiple continuous improvement initiatives, including Lean Six Sigma.”

Ethel S. Marimbe
Chemical Engineer
“I’ve had the honor to work with Patrick at Patfio. He’s a genius at what he does and takes an innovative approach in all the programs he delivers. I totally recommend his courses. ”

Tanyaradzwa Makotore
Process Engineer
“Just completed the Level 1 training on Process Simulation and Modelling in METSIM. Enjoyed every moment of the learning process. From the user interface, to the module content and practicals, it gives quite an informative introduction into simulation techniques in mineral processing. Definitely looking forward to Level 2. Highly recommend this course for individuals interested in process modelling using simulation software.
”



Let’s get started!
Turn your ideas into digital success
